Водогрейный котел 700 КВт на твердом топливе - завод производитель

Производство водогрейных котлов твердотопливных котлов 700 КВт

Технические характеристики

Марка котлаКотел Giant 700 КВт
Вид топкиРучная колосниковая
Мощность, КВт700
Мощность, МВт0.7
Мощность, Гкал0.6
Отапливаемая площадь, м27000
Отапливаемый объем, м321000
Вид топливаУголь
ТягаУравновешенная
Низшая теплота сгорания топлива, кКал/кг5230
КПД котла, не менее, %80
Расход топлива, кг/ч141.8
Расход условного топлива, кг/ч104
Температура уходящих газов, °C200
Расход теплоносителя среды, м³/ч24
Температура воды, °C70-95
Давление рабочей среды, МПа (кгс/см2)0.3-0.6 (3.0-6.0)
Гидравлическое сопротивление котла при перепаде температур 25°C, МПа (кгс/cм²)0.07 (0.7)
Габаритные размеры котельного блока, длина*ширина*высота, мм2700*1800*2250
ЦЕНА, рублей с НДС363000
Файлы для загрузки

Котел Giant твердотопливный ручной

  • Котел Giant твердотопливный ручной

    Котел Giant твердотопливный ручной

  • Котлы с ручной топкой

    Котлы с ручной топкой

  • Котлы в наличии

    Котлы в наличии

  • Промышленные котлы

    Промышленные котлы

  • Промышленный отопительный котел

    Промышленный отопительный котел

  • Котельный завод производит котлы водогрейные мощность до 4 МВт

    Котельный завод производит котлы водогрейные мощность до 4 МВт

  • Завод водогрейных котлов

    Завод водогрейных котлов

  • Отопительный угольный котел

    Отопительный угольный котел

  • Производство промышленных водогрейных котлов

    Производство промышленных водогрейных котлов

  • Угольный водогрейный котел

    Угольный водогрейный котел

Котел Giant твердотопливный ручной
Котлы с ручной топкой
Котлы в наличии
Промышленные котлы
Промышленный отопительный котел
Котельный завод производит котлы водогрейные мощность до 4 МВт
Завод водогрейных котлов
Отопительный угольный котел
Производство промышленных водогрейных котлов
Угольный водогрейный котел

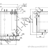
Чертеж котла 700 КВт Giant твердотопливного ручного

  • Чертеж котла 700 КВт Giant твердотопливного ручного

    Чертеж котла 700 КВт Giant твердотопливного ручного

Чертеж котла 700 КВт Giant твердотопливного ручного

Котел 700 КВт Giant твердотопливный ручной

Водогрейный твердотопливный котел серии Giant мощностью 700 КВт (0,7 МВт) предназначен для отопления и горячего водоснабжения. Устанавливается в котельных с ручными топками. Котел работает с принудительной циркуляцией и имеет повышенную устойчивость от накипеобразования и перегрева трубной системы. Отапливаемый объем 21000 м3, температура нагрева воды до 115° С, рабочее давление 3-6 МПа. Основной вид топлива - каменный и бурый уголь. Резервный вид топлива дрова.

Конструкция котла

Твердотопливный котел 700 КВт выполняется гладкотрубным, горизонтальной компоновки из труб большого диаметра. В передней части котла располагается ручная колосниковая топка с зольником, в задней части котла двухходовой конвективный пакет. Топочное пространство выполнено газоплотным. Снаружи котел имеет каркас с установленной на нем теплоизоляцией и обшитый стальными листами.

Гидравлическая схема котла

Котел Giant 700 КВт имеет минимальные требования к качеству питательной воды и повышенную надежность перегреву в случае остановки циркуляционных насосов.

Скорости движения теплоносителя в трубной системе котла достигают 1-1,5 м/с, что турбулизирует поток воды и предотвращает отложение солей и накипи на стенках трубной системы котла. Коллектора котла имеют многочисленные перегородки, распределяющие поток теплоносителя таким образом, что в котле исключена возможность образования застойных зон и возникновения теплового напряжения в трубной системе котла и ее локальный перегрев. Высокие скорости и многоходовая схема движения воды обеспечивают высокую маневренность котла по мощности. За счет большого водяного объема в трубной системе котла, котел устойчив от перегрева и тепловых напряжений в аварийных ситуациях.

Ввиду применения в трубной системе труб большого диаметра и высокой металлоемкости котла, он имеет большие габаритные размеры и стоимость, если вас интересуют более котлы более компактных размеров и минимальные цены на котлы, рассмотрите угольный ручной котел мощностью 700 КВт традиционной компоновки.

Экономичность котла

Конструкция котла обеспечивает высокий КПД. Оптимальны данные котлы для каменных углей, так и для бурых углей. В котле максимально минимизированы потери с механическим и химическим недожогом топлива, с температурой уходящих газов и через ограждающие поверхности.

Большой объем топочной камеры и ее оптимальная высота обеспечивают полное прогорание топлива, мельчайшие частицы топлива выносимые в топочный объем, успевают полностью прогореть. Провал образующихся золы и шлака происходит в зольный короб под колосниками.

Газоплотность топки обеспечивается вваркой стальной полосы между охлаждаемых труб котла и исключает присосы холодного воздуха в топочную камеру и зону горения топлива. Воздух для горения топлива поступает снизу из зольника.

Конвективные пакеты выполняются в виде плотных регистров и вставляются в котле друг напротив друга в шахматном порядке. Устроенная таким образом поверхность нагрева имеет обширную полезную площадь, участвующую в передаче тепла, и максимальный коэффициент теплопередачи, горячие дымовые газы на выходе из котла охлаждаются до температуры 180-200 °С.

Изоляция котла обеспечивает температуру наружной стенки не более 30 °С, выполняется из плит ПТЭ, устанавливаемых на трубную систему, обшитых сверху стальным листом.

Монтаж котла

Котел 700 КВт поставляется максимальной монтажной готовности. Выполняется моноблоком - котел с изоляцией и топка с опорами. Котел закрепляется на ровной поверхности, подключается теплоноситель, КИП и запорная арматура, сверху подводится газоход. Для отвода дымовых газов к газоходу подсоединяется дымосос.

Котельный завод также производит котлы мощностью 0,7 МВт иных модификаций:

  • В случае, если на вашей котельной возможно эпизодическое применение древесного топлива, мы предлагаем вам данную модель котла 700 КВт в мультитопливном исполнении. На фронте котла устанавливаются две топочные дверки, одна над другой, это обеспечивает удобство загрузки объемного древесного топлива.
  • Если вас интересует твердотопливный котел, работающий исключительно на дровах, мы предлагаем рассмотреть котел мощностью 700 КВт серии FIREWOOD для сжигания дров.
  • КВр 700 - котлы, выполненные из труб стандартного диметра, компактные, надежные, с минимальной ценой из всех предлагаемых нами вариантов.
  • Котлы мощностью 700 КВт серии HEATEXPERT – котлы работающие без дымососа.
  • Твердотопливные механические котлы 700 КВт с топками ТШПМ и РПК.

Комплект поставки котла

Вентилятор поддува, колосники, топочная дверка, клапаны предохранительные, вентили, манометры, термометры, паспорт котла, инструкция по эксплуатации котла.

Преимущества котлов

  • высокий КПД и экономичность;
  • минимальные требования к качеству питательной воды;
  • повышенная надежность от перегрева;
  • быстрый выход на мощность;
  • удобство эксплуатации и обслуживания.

Кроме представленных на нашем сайте моделей, вы можете купить котлы, выполнение по индивидуальным заказам, с подводом и отводом теплоносителя в нужном вам месте, габаритными и присоединительными размерами, согласно схемы существующей котельной. Организациям участвующим в тендерах, мы можем предложить доработку и производство котельного оборудования согласно аукционным заявкам. Комплектация котла, также может быть изменена, согласно вашим пожеланиям. Чтобы купить котел 700 КВт воспользуйтесь услугами нашего электронного магазина или позвоните по телефону 8-800-700-15-79.

Для проектных и монтажных организаций, и владельцев отопительных котельных предлагаем разработку проектов реконструкций котельных и проектирование новых котельных.

География поставки товара

Котел 700 КВт Giant твердотопливный ручной поставляется в следующие регионы и города. Показать города доставки

Россия
Алтайский край
  • Алейск
  • Алтайское
  • Баево
  • Барнаул
  • Белокуриха
  • Бийск
  • Благовещенка
  • Волчиха
  • Горняк
  • Заринск
  • Змеиногорск
  • Калманка
  • Камень-на-Оби
  • Кулунда
  • Михайловское
  • Новоалтайск
  • Павловск
  • Поспелиха
  • Ребриха
  • Рубцовск
  • Славгород
  • Тальменка
  • Троицкое
  • Шелаболиха
  • Шипуново
  • Яровое
Амурская область
  • Белогорск
  • Благовещенск
  • Екатеринославка
  • Завитинск
  • Зея
  • Ивановка
  • Константиновка
  • Магдагачи
  • Новобурейский
  • Новокиевский Увал
  • Поярково
  • Прогресс
  • Райчихинск
  • Ромны
  • Свободный
  • Серышево
  • Сковородино
  • Тамбовка
  • Тында
  • Шимановск
  • Экимчан
Архангельская область
  • Архангельск
  • Белушья Губа
  • Березник
  • Вельск
  • Верхняя Тойма
  • Ильинско-Подомское
  • Каргополь
  • Карпогоры
  • Коноша
  • Коряжма
  • Котлас
  • Красноборск
  • Лешуконское
  • Мезень
  • Мирный
  • Новодвинск
  • Няндома
  • Октябрьский
  • Онега
  • Плесецк
  • Северодвинск
  • Сольвычегодск
  • Холмогоры
  • Шенкурск
  • Яренск
Астраханская область
  • Астрахань
  • Ахтубинск
  • Володарский
  • Енотаевка
  • Икряное
  • Камызяк
  • Красный Яр
  • Лиман
  • Нариманов
  • Началово
  • Харабали
  • Черный Яр
Белгородская область
  • Алексеевка
  • Белгород
  • Бирюч
  • Борисовка
  • Валуйки
  • Вейделевка
  • Волоконовка
  • Грайворон
  • Губкин
  • Ивня
  • Короча
  • Красная Яруга
  • Красное
  • Новый Оскол
  • Прохоровка
  • Ракитное
  • Ровеньки
  • Старый Оскол
  • Строитель
  • Чернянка
  • Шебекино
Брянская область
  • Брянск
  • Дятьково
  • Жуковка
  • Злынка
  • Карачев
  • Клетня
  • Климово
  • Клинцы
  • Локоть
  • Мглин
  • Навля
  • Новозыбков
  • Погар
  • Почеп
  • Сельцо
  • Стародуб
  • Сураж
  • Трубчевск
  • Унеча
  • Фокино
Владимирская область
  • Александров
  • Владимир
  • Вязники
  • Гороховец
  • Гусь-Хрустальный
  • Камешково
  • Карабаново
  • Киржач
  • Ковров
  • Кольчугино
  • Лакинск
  • Меленки
  • Муром
  • Петушки
  • Покров
  • Радужный
  • Собинка
  • Судогда
  • Суздаль
  • Юрьев-Польский
Волгоградская область
  • Волгоград
  • Волжский
  • Городище
  • Даниловка
  • Дубовка
  • Елань
  • Жирновск
  • Калач-на-Дону
  • Камышин
  • Котельниково
  • Краснослободск
  • Ленинск
  • Михайловка
  • Николаевск
  • Новоаннинский
  • Палласовка
  • Петров Вал
  • Средняя Ахтуба
  • Суровикино
  • Урюпинск
  • Фролово
Вологодская область
  • Бабаево
  • Белозерск
  • Великий Устюг
  • Верховажье
  • Вожега
  • Вологда
  • Вытегра
  • Грязовец
  • Им Бабушкина
  • Кадников
  • Кадуй
  • Кириллов
  • Кичменгский Городок
  • Красавино
  • Липин Бор
  • Никольск
  • Нюксеница
  • Сокол
  • Сямжа
  • Тарногский Городок
  • Тотьма
  • Устье
  • Устюжна
  • Харовск
  • Чагода
  • Череповец
  • Шексна
  • Шуйское
Воронежская область
  • Анна
  • Бобров
  • Богучар
  • Борисоглебск
  • Бутурлиновка
  • Верхний Мамон
  • Верхняя Хава
  • Воронеж
  • Грибановский
  • Калач
  • Каменка
  • Кантемировка
  • Лиски
  • Новая Усмань
  • Нововоронеж
  • Новохоперск
  • Острогожск
  • Павловск
  • Панино
  • Петропавловка
  • Поворино
  • Подгоренский
  • Рамонь
  • Репьевка
  • Россошь
  • Семилуки
  • Таловая
  • Хохольский
  • Эртиль
Еврейская АО
  • Амурзет
  • Биробиджан
  • Ленинское
  • Облучье
  • Птичник
  • Смидович
Забайкальский край
  • Агинское
  • Акша
  • Александровский Завод
  • Балей
  • Борзя
  • Верх-Усугли
  • Газимурский Завод
  • Забайкальск
  • Калга
  • Карымское
  • Краснокаменск
  • Красный Чикой
  • Кыра
  • Кыра
  • Могойтуй
  • Могоча
  • Нерчинск
  • Нерчинский Завод
  • Нижний Цасучей
  • Оловянная
  • Петровск-Забайкальский
  • Приаргунск
  • Сретенск
  • Тупик
  • Улеты
  • Хилок
  • Чара
  • Чернышевск
  • Чита
  • Шелопугино
Ивановская область
  • Верхний Ландех
  • Вичуга
  • Гаврилов Посад
  • Заволжск
  • Иваново
  • Ильинское-Хованское
  • Кинешма
  • Комсомольск
  • Кохма
  • Лежнево
  • Лух
  • Наволоки
  • Палех
  • Пестяки
  • Плес
  • Приволжск
  • Пучеж
  • Родники
  • Савино
  • Тейково
  • Тейково
  • Фурманов
  • Шуя
  • Южа
  • Юрьевец
Иркутская область
  • Алзамай
  • Ангарск
  • Байкальск
  • Балаганск
  • Бирюсинск
  • Бодайбо
  • Братск
  • Вихоревка
  • Еланцы
  • Железногорск-Илимский
  • Жигалово
  • Залари
  • Зима
  • Иркутск
  • Качуг
  • Киренск
  • Куйтун
  • Нижнеудинск
  • Саянск
  • Свирск
  • Слюдянка
  • Тайшет
  • Тулун
  • Усолье-Сибирское
  • Усть-Илимск
  • Усть-Кут
  • Усть-Уда
  • Черемхово
  • Чунский
  • Шелехов
Калининградская область
  • Багратионовск
  • Балтийск
  • Гвардейск
  • Гурьевск
  • Гусев
  • Зеленоградск
  • Краснознаменск
  • Ладушкин
  • Мамоново
  • Неман
  • Нестеров
  • Озерск
  • Пионерский
  • Полесск
  • Правдинск
  • Светлогорск
  • Светлый
  • Славск
  • Советск
  • Черняховск
Калужская область
  • Балабаново
  • Барятино
  • Белоусово
  • Бетлица
  • Боровск
  • Думиничи
  • Ермолино
  • Жиздра
  • Жуков
  • Износки
  • Калуга
  • Киров
  • Козельск
  • Кондрово
  • Кондрово
  • Кремёнки
  • Людиново
  • Малоярославец
  • Медынь
  • Мещовск
  • Мосальск
  • Обнинск
  • Перемышль
  • Сосенский
  • Спас-Деменск
  • Сухиничи
  • Таруса
  • Ферзиково
  • Хвастовичи
  • Юхнов
Камчатский край
  • Елизово
  • Мильково
  • Никольское
  • Петропавловск-Камчатский
  • Соболево
  • Усть-Большерецк
  • Усть-Камчатск
  • Эссо
Кемеровская область
  • Анжеро-Судженск
  • Белово
  • Березовский
  • Верх-Чебула
  • Гурьевск
  • Ижморский
  • Калтан
  • Кемерово
  • Киселевск
  • Крапивинский
  • Краснобродский
  • Ленинск-Кузнецкий
  • Мариинск
  • Междуреченск
  • Мыски
  • Новокузнецк
  • Осинники
  • Полысаево
  • Прокопьевск
  • Промышленная
  • Салаир
  • Тайга
  • Таштагол
  • Тисуль
  • Топки
  • Тяжинский
  • Юрга
  • Яшкино
  • Яя
Кировская область
  • Белая Холуница
  • Верхошижемье
  • Вятские Поляны
  • Даровской
  • Зуевка
  • Кикнур
  • Кильмезь
  • Киров
  • Кирово-Чепецк
  • Кирс
  • Котельнич
  • Кумены
  • Ленинское
  • Луза
  • Малмыж
  • Мураши
  • Нагорск
  • Нолинск
  • Омутнинск
  • Оричи
  • Орлов
  • Свеча
  • Слободской
  • Советск
  • Сосновка
  • Уржум
  • Фаленки
  • Юрья
  • Яранск
Костромская область
  • Антропово
  • Боговарово
  • Буй
  • Волгореченск
  • Вохма
  • Галич
  • Георгиевское
  • Кадый
  • Кологрив
  • Кострома
  • Красное на Волге
  • Макарьев
  • Мантурово
  • Нерехта
  • Нея
  • Островское
  • Павино
  • Парфеньево
  • Поназырево
  • Пыщуг
  • Солигалич
  • Судиславль
  • Сусаннино
  • Чухлома
  • Шарья
Краснодарский край
  • Абинск
  • Анапа
  • Апшеронск
  • Белореченск
  • Геленджик
  • Горячий Ключ
  • Гулькевичи
  • Динская
  • Ейск
  • Каневская
  • Кореновск
  • Краснодар
  • Крымск
  • Курганинск
  • Кущевская
  • Лабинск
  • Ленинградская
  • Новокубанск
  • Новороссийск
  • Павловская
  • Полтавская
  • Приморско-Ахтарск
  • Славянск-на-Кубани
  • Сочи
  • Староминская
  • Темрюк
  • Тимашевск
  • Тихорецк
  • Туапсе
  • Усть-Лабинск
  • Хадыженск
Красноярский край
  • Абан
  • Агинское
  • Ачинск
  • Березовка
  • Боготол
  • Богучаны
  • Большая Мурта
  • Бородино
  • Дзержинское
  • Дивногорск
  • Емельяново
  • Енисейск
  • Ермаковское
  • Заозерный
  • Иланский
  • Канск
  • Каратузское
  • Кодинск
  • Козулька
  • Красноярск
  • Курагино
  • Лесосибирск
  • Назарово
  • Нижний Ингаш
  • Норильск
  • Сосновоборск
  • Тасеево
  • Ужур
  • Уяр
  • Шарыпово
  • Шушенское
Курганская область
  • Альменево
  • Белозерское
  • Варгаши
  • Глядянское
  • Далматово
  • Звериноголовское
  • Каргаполье
  • Катайск
  • Кетово
  • Курган
  • Куртамыш
  • Лебяжье
  • Макушино
  • Мишкино
  • Мокроусово
  • Петухово
  • Половинное
  • Сафакулево
  • Целинное
  • Частоозерье
  • Шадринск
  • Шатрово
  • Шумиха
  • Щучье
  • Юргамыш
Курская область
  • Белая
  • Большое Солдатское
  • Глушково
  • Горшечное
  • Дмитриев-Льговский
  • Железногорск
  • Касторное
  • Конышевка
  • Коренево
  • Курск
  • Курчатов
  • Кшенский
  • Льгов
  • Мантурово
  • Медвенка
  • Обоянь
  • Поныри
  • Пристень
  • Прямицыно
  • Рыльск
  • Солнцево
  • Суджа
  • Тим
  • Фатеж
  • Хомутовка
  • Черемисиново
  • Щигры
Ленинградская область
  • Бокситогорск
  • Волосово
  • Волхов
  • Всеволожск
  • Выборг
  • Гатчина
  • Кингисепп
  • Кириши
  • Кировск
  • Лодейное Поле
  • Ломоносов
  • Луга
  • Подпорожье
  • Приозерск
  • Санкт-Петербург
  • Сланцы
  • Сосновый Бор
  • Тихвин
  • Тосно
Липецкая область
  • Грязи
  • Данков
  • Добринка
  • Долгоруково
  • Елец
  • Задонск
  • Измалково
  • Красное
  • Лебедянь
  • Лев Толстой
  • Липецк
  • Становое
  • Тербуны
  • Усмань
  • Хлевное
  • Чаплыгин
Магаданская область
  • Магадан
  • Ола
  • Омсукчан
  • Палатка
  • Сеймчан
  • Сусуман
  • Усть-Омчуг
  • Эвенск
  • Ягодное
Московская область
  • Воскресенск
  • Домодедово
  • Егорьевск
  • Клин
  • Коломна
  • Красногорск
  • Люберцы
  • Москва
  • Мытищи
  • Ногинск
  • Одинцово
  • Орехово-Зуево
  • Подольск
  • Пушкино
  • Раменское
  • Сергиев Посад
  • Серпухов
  • Химки
  • Чехов
  • Щелково
Мурманская область
  • Апатиты
  • Заполярный
  • Кандалакша
  • Кировск
  • Ковдор
  • Кола
  • Ловозеро
  • Мончегорск
  • Мурманск
  • Никель
  • Оленегорск
  • Полярные Зори
  • Умба
Ненецкий АО
  • Искателей
  • Нарьян-Мар
Нижегородская область
  • Арзамас
  • Балахна
  • Богородск
  • Бор
  • Выкса
  • Городец
  • Дзержинск
  • Заволжье
  • Кстово
  • Кулебаки
  • Лукоянов
  • Лысково
  • Навашино
  • Нижний Новгород
  • Павлово
  • Первомайск
  • Семенов
  • Сергач
  • Урень
  • Чкаловск
  • Шахунья
Новгородская область
  • Батецкий
  • Боровичи
  • Валдай
  • Великий Новгород
  • Волот
  • Демянск
  • Крестцы
  • Любытино
  • Малая Вишера
  • Марево
  • Мошенское
  • Окуловка
  • Парфино
  • Пестово
  • Поддорье
  • Сольцы
  • Старая Русса
  • Хвойная
  • Холм
  • Чудово
  • Шимск
Новосибирская область
  • Баган
  • Барабинск
  • Бердск
  • Болотное
  • Венгерово
  • Довольное
  • Здвинск
  • Искитим
  • Карасук
  • Каргат
  • Колывань
  • Коченево
  • Кочки
  • Краснозерское
  • Куйбышев
  • Купино
  • Кыштовка
  • Маслянино
  • Новосибирск
  • Обь
  • Ордынское
  • Северное
  • Сузун
  • Татарск
  • Тогучин
  • Убинское
  • Усть-Тарка
  • Чаны
  • Черепаново
  • Чистоозерное
  • Чулым
Омская область
  • Азово
  • Большеречье
  • Большие Уки
  • Горьковское
  • Знаменское
  • Исилькуль
  • Калачинск
  • Колосовка
  • Кормиловка
  • Крутинка
  • Любинский
  • Марьяновка
  • Муромцево
  • Называевск
  • Нижняя Омка
  • Одесское
  • Оконешниково
  • Омск
  • Павлоградка
  • Полтавка
  • Ростовка
  • Русская Поляна
  • Саргатское
  • Седельниково
  • Таврическое
  • Тара
  • Тевриз
  • Тюкалинск
  • Усть-Ишим
  • Черлак
  • Шербакуль
Оренбургская область
  • Абдулино
  • Адамовка
  • Акбулак
  • Асекеево
  • Беляевка
  • Бугуруслан
  • Бузулук
  • Гай
  • Домбаровский
  • Илек
  • Кувандык
  • Медногорск
  • Новоорск
  • Новосергиевка
  • Новотроицк
  • Октябрьское
  • Оренбург
  • Орск
  • Первомайский
  • Переволоцкий
  • Пономаревка
  • Сакмара
  • Саракташ
  • Светлый
  • Соль-Илецк
  • Сорочинск
  • Ташла
  • Тоцкое
  • Тюльган
  • Шарлык
  • Ясный
Орловская область
  • Болхов
  • Верховье
  • Глазуновка
  • Дмитровск
  • Долгое
  • Залегощь
  • Змиевка
  • Знаменское
  • Колпна
  • Корсаково
  • Красная Заря
  • Кромы
  • Ливны
  • Малоархангельск
  • Мценск
  • Нарышкино
  • Новосиль
  • Орел
  • Сосково
  • Тросна
  • Хомутово
  • Хотынец
  • Шаблыкино
Пензенская область
  • Башмаково
  • Беково
  • Белинский
  • Бессоновка
  • Вадинск
  • Городище
  • Земетчино
  • Исса
  • Каменка
  • Колышлей
  • Кондоль
  • Кузнецк
  • Лопатино
  • Лунино
  • Малая Сердоба
  • Мокшан
  • Наровчат
  • Неверкино
  • Нижний Ломов
  • Никольск
  • Пачелма
  • Пенза
  • Русский Камешкир
  • Сердобск
  • Сосновоборск
  • Спасск
  • Сурск
  • Тамала
  • Шемышейка
Пермский край
  • Александровск
  • Барда
  • Березовка
  • Верещагино
  • Гайны
  • Горнозаводск
  • Гремячинск
  • Губаха
  • Добрянка
  • Ильинский
  • Кизел
  • Красновишерск
  • Краснокамск
  • Кудымкар
  • Куеда
  • Кунгур
  • Лысьва
  • Нытва
  • Октябрьский
  • Орда
  • Оса
  • Оханск
  • Очер
  • Пермь
  • Соликамск
  • Суксун
  • Усолье
  • Чайковский
  • Чернушка
  • Чусовой
Приморский край
  • Анучино
  • Артем
  • Артем
  • Большой Камень
  • Владивосток
  • Владимиро-Александровское
  • Вольно-Надеждинское
  • Дальнереченск
  • Дальнереченск
  • Кавалерово
  • Камень-Рыболов
  • Кировский
  • Лазо
  • Лесозаводск
  • Лучегорск
  • Михайловка
  • Находка
  • Новопокровка
  • Партизанск
  • Пограничный
  • Покровка
  • Славянка
  • Спасск-Дальний
  • Терней
  • Уссурийск
  • Хороль
  • Черниговка
  • Чугуевка
  • Яковлевка
Псковская область
  • Бежаницы
  • Великие Луки
  • Гдов
  • Дедовичи
  • Дно
  • Красногородск
  • Кунья
  • Локня
  • Невель
  • Новоржев
  • Новосокольники
  • Опочка
  • Остров
  • Палкино
  • Печоры
  • Плюсса
  • Порхов
  • Псков
  • Пустошка
  • Пушкинские Горы
  • Пыталово
  • Себеж
  • Струги Красные
  • Усвяты
Республика Адыгея
  • Адыгейск
  • Гиагинская
  • Кошехабль
  • Красногвардейское
  • Майкоп
  • Понежукай
  • Тахтамукай
  • Тульский
  • Шовгеновский
Республика Алтай
  • Горно-Алтайск
  • Кош-Агач
  • Майма
  • Онгудай
  • Турочак
  • Улаган
  • Усть-Кан
  • Усть-Кокса
  • Чемал
  • Чоя
  • Шебалино
Республика Башкортостан
  • Агидель
  • Архангельское
  • Баймак
  • Белебей
  • Белорецк
  • Бирск
  • Благовещенск
  • Буздяк
  • Давлеканово
  • Дюртюли
  • Иглино
  • Ишимбай
  • Красноусольский
  • Кумертау
  • Мелеуз
  • Месягутово
  • Нефтекамск
  • Октябрьский
  • Раевский
  • Салават
  • Сибай
  • Стерлитамак
  • Толбазы
  • Туймазы
  • Уфа
  • Учалы
  • Чекмагуш
  • Чишмы
  • Янаул
Республика Бурятия
  • Бабушкин
  • Багдарин
  • Баргузин
  • Бичура
  • Гусиноозерск
  • Заиграево
  • Закаменск
  • Иволгинск
  • Кабанск
  • Кижинга
  • Курумкан
  • Кырен
  • Кяхта
  • Мухоршибирь
  • Нижнеангарск
  • Орлик
  • Петропавловка
  • Северобайкальск
  • Сосново-Озерское
  • Таксимо
  • Тарбагатай
  • Турунтаево
  • Улан-Удэ
  • Хоринск
Республика Дагестан
  • Акуша
  • Бабаюрт
  • Ботлих
  • Буйнакск
  • Дагестанские Огни
  • Дербент
  • Избербаш
  • Карабудахкент
  • Каспийск
  • Кизилюрт
  • Кизляр
  • Махачкала
  • Тарумовка
  • Хасавюрт
  • Южно-Сухокумск
Республика Ингушетия
  • Джейрах
  • Карабулак
  • Магас
  • Малгобек
  • Назрань
  • Орджоникидзевская
Республика Кабардино-Балкария
  • Анзорей
  • Баксан
  • Залукокоаже
  • Кашхатау
  • Майский
  • Нальчик
  • Нарткала
  • Прохладный
  • Терек
  • Тырныауз
  • Чегем
Республика Калмыкия
  • Большой Царын
  • Городовиковск
  • Ики-Бурул
  • Кетченеры
  • Комсомольский
  • Лагань
  • Малые Дербеты
  • Приютное
  • Садовое
  • Троицкое
  • Цаган Аман
  • Элиста
  • Яшалта
  • Яшкуль
Республика Карелия
  • Беломорск
  • Калевала
  • Кемь
  • Кондопога
  • Костомукша
  • Лахденпохья
  • Лоухи
  • Медвежьегорск
  • Муезерский
  • Олонец
  • Петрозаводск
  • Питкяранта
  • Пряжа
  • Пудож
  • Сегежа
  • Сортавала
  • Суоярви
Республика Коми
  • Айкино
  • Визинга
  • Воркута
  • Вуктыл
  • Выльгорт
  • Емва
  • Ижма
  • Инта
  • Койгородок
  • Корткерос
  • Кослан
  • Микунь
  • Объячево
  • Печора
  • Сосногорск
  • Сыктывкар
  • Троицко-Печорск
  • Усинск
  • Усть-Кулом
  • Усть-Цильма
  • Ухта
Республика Марий Эл
  • Волжск
  • Звенигово
  • Йошкар-Ола
  • Килемары
  • Козьмодемьянск
  • Куженер
  • Мари-Турек
  • Медведево
  • Морки
  • Новый Торъял
  • Оршанка
  • Параньга
  • Сернур
  • Советский
  • Юрино
Республика Мордовия
  • Ардатов
  • Атюрьево
  • Атяшево
  • Большие Березники
  • Ельники
  • Зубова Поляна
  • Инсар
  • Кадошкино
  • Кемля
  • Ковылкино
  • Краснослободск
  • Лямбирь
  • Ромоданово
  • Рузаевка
  • Саранск
  • Старое Шайгово
  • Темников
  • Теньгушево
  • Торбеево
  • Чамзинка
Республика Саха (Якутия)
  • Алдан
  • Амга
  • Батагай
  • Батагай-Алыта
  • Белая Гора
  • Бердигестях
  • Борогонцы
  • Верхневилюйск
  • Верхоянск
  • Вилюйск
  • Депутатский
  • Жиганск
  • Зырянка
  • Ленск
  • Майя
  • Мирный
  • Намцы
  • Нерюнгри
  • Нюрба
  • Олекминск
  • Оленек
  • Покровск
  • Сангар
  • Саскылах
  • Среднеколымск
  • Сунтар
  • Тикси
  • Томмот
  • Удачный
  • Усть-Мая
  • Усть-Нера
  • Хандыга
  • Хону
  • Черский
  • Чокурдах
  • Чурапча
  • Ытык-Кюель
  • Якутск
Республика Северная Осетия — Алания
  • Алагир
  • Ардон
  • Беслан
  • Владикавказ
  • Дигора
  • Моздок
  • Октябрьское
  • Чикола
  • Эльхотово
Республика Татарстан
  • Агрыз
  • Азнакаево
  • Аксубаево
  • Актаныш
  • Алексеевское
  • Альметьевск
  • Апастово
  • Арск
  • Бавлы
  • Базарные Матаки
  • Балтаси
  • Богатые Сабы
  • Болгар
  • Бугульма
  • Буинск
  • Высокая Гора
  • Елабуга
  • Заинск
  • Зеленодольск
  • Казань
  • Кукмор
  • Лаишево
  • Лениногорск
  • Мамадыш
  • Менделеевск
  • Мензелинск
  • Муслюмово
  • Набережные Челны
  • Нижнекамск
  • Нурлат
  • Пестрецы
  • Рыбная Слобода
  • Сарманово
  • Тетюши
  • Уруссу
  • Черемшан
  • Чистополь
Республика Тыва (Тува)
  • Ак-Довурак
  • Бай-Хаак
  • Каа-Хем
  • Кунгуртуг
  • Кызыл
  • Кызыл-Мажалык
  • Мугур-Аксы
  • Самагалтай
  • Сарыг-Сеп
  • Суг-Аксы
  • Тоора-Хем
  • Туран
  • Тээли
  • Хандагайты
  • Хову-Аксы
  • Чаа-Холь
  • Чадан
  • Шагонар
  • Эрзин
Республика Удмуртия
  • Алнаши
  • Балезино
  • Вавож
  • Воткинск
  • Глазов
  • Грахово
  • Дебесы
  • Завьялово
  • Игра
  • Ижевск
  • Камбарка
  • Каракулино
  • Кез
  • Кизнер
  • Киясово
  • Красногорское
  • Малая Пурга
  • Можга
  • Сарапул
  • Селты
  • Сигаево
  • Ува
  • Шаркан
  • Юкаменское
  • Якшур-Бодья
  • Яр
Республика Хакасия
  • Абаза
  • Абакан
  • Аскиз
  • Белый Яр
  • Бея
  • Боград
  • Копьево
  • Саяногорск
  • Сорск
  • Таштып
  • Усть-Абакан
  • Черногорск
  • Шира
Республика Чечня
  • Аргун
  • Ачхой-Мартан
  • Ведено
  • Грозный
  • Гудермес
  • Знаменское
  • Итум-Кале
  • Курчалой
  • Наурская
  • Ножай-Юрт
  • Серноводское
  • Урус-Мартан
  • Шали
  • Шарой
  • Шатой
  • Шелковская
Республика Чувашия
  • Алатырь
  • Аликово
  • Батырево
  • Вурнары
  • Ибреси
  • Канаш
  • Козловка
  • Комсомольское
  • Красноармейское
  • Красные Четаи
  • Кугеси
  • Мариинский Посад
  • Моргауши
  • Новочебоксарск
  • Порецкое
  • Урмары
  • Цивильск
  • Чебоксары
  • Шемурша
  • Шумерля
  • Ядрин
  • Яльчики
  • Янтиково
Ростовская область
  • Азов
  • Аксай
  • Багаевская
  • Батайск
  • Белая Калитва
  • Веселый
  • Вешенская
  • Волгодонск
  • Глубокий
  • Гуково
  • Егорлыкская
  • Зверево
  • Зерноград
  • Зимовники
  • Каменоломни
  • Константиновск
  • Красный Сулин
  • Матвеев Курган
  • Миллерово
  • Морозовск
  • Новочеркасск
  • Новошахтинск
  • Обливская
  • Орловский
  • Песчанокопское
  • Пролетарск
  • Ростов-на-Дону
  • Сальск
  • Семикаракорск
  • Таганрог
  • Тарасовский
  • Тацинская
  • Усть-Донецкий
  • Целина
  • Цимлянск
  • Чалтырь
  • Чертково
  • Шахты
Рязанская область
  • Александро-Невский
  • Ермишь
  • Захарово
  • Кадом
  • Кораблино
  • Милославское
  • Михайлов
  • Пителино
  • Пронск
  • Путятино
  • Рыбное
  • Ряжск
  • Рязань
  • Сапожок
  • Сараи
  • Сасово
  • Скопин
  • Спас-Клепики
  • Спасск-Рязанский
  • Старожилово
  • Ухолово
  • Чучково
  • Шацк
  • Шилово
Самарская область
  • Алексеевка
  • Безенчук
  • Богатое
  • Большая Глушица
  • Большая Черниговка
  • Елховка
  • Жигулевск
  • Исаклы
  • Камышла
  • Кинель
  • Кинель-Черкассы
  • Клявлино
  • Кошки
  • Красноармейское
  • Красный Яр
  • Нефтегорск
  • Октябрьск
  • Отрадный
  • Пестравка
  • Похвистнево
  • Похвистнево
  • Приволжье
  • Самара
  • Сергиевск
  • Сызрань
  • Тольятти
  • Хворостянка
  • Чапаевск
  • Челно-Вершины
  • Шентала
  • Шигоны
Саратовская область
  • Александров Гай
  • Аркадак
  • Аткарск
  • Базарный Карабулак
  • Балаково
  • Балашов
  • Балтай
  • Вольск
  • Воскресенское
  • Горный
  • Дергачи
  • Духовницкое
  • Екатериновка
  • Ершов
  • Ивантеевка
  • Калининск
  • Красноармейск
  • Красный Кут
  • Лысые Горы
  • Маркс
  • Мокроус
  • Новоузенск
  • Новые Бурасы
  • Озинки
  • Перелюб
  • Петровск
  • Питерка
  • Пугачев
  • Ровное
  • Романовка
  • Ртищево
  • Самойловка
  • Саратов
  • Степное
  • Татищево
  • Турки
  • Хвалынск
  • Энгельс
Сахалинская область
  • Александровск-Сахалинский
  • Анива
  • Долинск
  • Корсаков
  • Курильск
  • Макаров
  • Невельск
  • Ноглики
  • Оха
  • Поронайск
  • Северо-Курильск
  • Смирных
  • Томари
  • Тымовское
  • Углегорск
  • Холмск
  • Шахтерск
  • Южно-Курильск
  • Южно-Сахалинск
Свердловская область
  • Алапаевск
  • Артемовский
  • Асбест
  • Березовский
  • Богданович
  • Верхняя Салда
  • Екатеринбург
  • Заречный
  • Ирбит
  • Каменск-Уральский
  • Камышлов
  • Карпинск
  • Качканар
  • Красноуральск
  • Красноуфимск
  • Кушва
  • Невьянск
  • Нижний Тагил
  • Нижняя Салда
  • Нижняя Тура
  • Первоуральск
  • Ревда
  • Реж
  • Североуральск
  • Серов
  • Среднеуральск
  • Сухой Лог
  • Сысерть
  • Тавда
  • Туринск
Смоленская область
  • Велиж
  • Вязьма
  • Гагарин
  • Глинка
  • Демидов
  • Десногорск
  • Дорогобуж
  • Духовщина
  • Ельня
  • Ершичи
  • Кардымово
  • Красный
  • Монастырщина
  • Новодугино
  • Починок
  • Рославль
  • Рудня
  • Сафоново
  • Смоленск
  • Сычевка
  • Темкино
  • Угра
  • Хиславичи
  • Холм-Жирковский
  • Шумячи
  • Ярцево
Ставропольский край
  • Арзгир
  • Благодарный
  • Буденновск
  • Георгиевск
  • Грачевка
  • Дивное
  • Донское
  • Ессентуки
  • Ессентукская
  • Железноводск
  • Зеленокумск
  • Изобильный
  • Ипатово
  • Кисловодск
  • Кочубеевское
  • Красногвардейское
  • Курсавка
  • Левокумское
  • Лермонтов
  • Минеральные Воды
  • Михайловск
  • Невинномысск
  • Нефтекумск
  • Новоалександровск
  • Новопавловск
  • Новоселицкое
  • Пятигорск
  • Светлоград
  • Ставрополь
  • Степное
Тамбовская область
  • Бондари
  • Гавриловка 2-я
  • Дмитриевка
  • Жердевка
  • Знаменка
  • Инжавино
  • Кирсанов
  • Котовск
  • Мичуринск
  • Мордово
  • Моршанск
  • Мучкапский
  • Первомайский
  • Петровское
  • Пичаево
  • Рассказово
  • Ржакса
  • Сатинка
  • Сосновка
  • Староюрьево
  • Тамбов
  • Токарёвка
  • Уварово
  • Умёт
Тверская область
  • Андреаполь
  • Бежецк
  • Бологое
  • Весьегонск
  • Вышний Волочек
  • Западная Двина
  • Зубцов
  • Калязин
  • Кашин
  • Кимры
  • Конаково
  • Кувшиново
  • Лихославль
  • Максатиха
  • Нелидово
  • Осташков
  • Ржев
  • Селижарово
  • Спирово
  • Старица
  • Тверь
  • Торжок
  • Торопец
  • Удомля
Томская область
  • Александровское
  • Асино
  • Бакчар
  • Белый Яр
  • Зырянское
  • Каргасок
  • Кедровый
  • Кожевниково
  • Колпашево
  • Кривошеино
  • Мельниково
  • Молчаново
  • Парабель
  • Первомайское
  • Подгорное
  • Стрежевой
  • Тегульдет
  • Томск
Тульская область
  • Алексин
  • Архангельское
  • Белев
  • Богородицк
  • Болохово
  • Венев
  • Донской
  • Дубна
  • Ефремов
  • Заокский
  • Кимовск
  • Киреевск
  • Куркино
  • Ленинский
  • Липки
  • Новомосковск
  • Одоев
  • Плавск
  • Суворов
  • Теплое
  • Тула
  • Узловая
  • Щекино
  • Ясногорск
Тюменская область
  • Абатское
  • Армизонское
  • Аромашево
  • Бердюжье
  • Большое Сорокино
  • Вагай
  • Викулово
  • Голышманово
  • Заводоуковск
  • Исетское
  • Ишим
  • Казанское
  • Нижняя Тавда
  • Омутинское
  • Сладково
  • Тобольск
  • Тюмень
  • Уват
  • Упорово
  • Юргинское
  • Ялуторовск
  • Ярково
Ульяновская область
  • Базарный Сызган
  • Барыш
  • Большое Нагаткино
  • Вешкайма
  • Димитровград
  • Инза
  • Ишеевка
  • Карсун
  • Кузоватово
  • Майна
  • Николаевка
  • Новая Малыкла
  • Новоспасское
  • Павловка
  • Радищево
  • Сенгилей
  • Старая Кулатка
  • Старая Майна
  • Сурское
  • Тереньга
  • Ульяновск
  • Чердаклы
Хабаровский край
  • Амурск
  • Аян
  • Бикин
  • Ванино
  • Вяземский
  • Им. Полины Осипенко
  • Комсомольск-на-Амуре
  • Николаевск-на-Амуре
  • Охотск
  • Переяславка
  • Советская Гавань
  • Солнечный
  • Троицкое
  • Хабаровск
  • Чегдомын
  • Чумикан
Ханты-Мансийский АО — Югра
  • Белоярский
  • Березово
  • Когалым
  • Лангепас
  • Мегион
  • Междуреченский
  • Нефтеюганск
  • Нижневартовск
  • Нягань
  • Октябрьское
  • Покачи
  • Пыть-Ях
  • Радужный
  • Советский
  • Сургут
  • Урай
  • Ханты-Мансийск
  • Югорск
Челябинская область
  • Аша
  • Бакал
  • Верхний Уфалей
  • Еманжелинск
  • Златоуст
  • Карабаш
  • Карталы
  • Касли
  • Катав-Ивановск
  • Копейск
  • Коркино
  • Куса
  • Кыштым
  • Магнитогорск
  • Миасс
  • Пласт
  • Сатка
  • Сим
  • Троицк
  • Увельский
  • Усть-Катав
  • Чебаркуль
  • Челябинск
  • Южноуральск
Чукотский АО
  • Анадырь
  • Беринговский
  • Билибино
  • Лаврентия
  • Мыс Шмидта
  • Певек
  • Провидения
  • Угольные Копи
  • Эгвекинот
Ямало-Ненецкий АО
  • Аксарка
  • Губкинский
  • Красноселькуп
  • Лабытнанги
  • Мужи
  • Муравленко
  • Надым
  • Новый Уренгой
  • Ноябрьск
  • Салехард
  • Тазовский
  • Тарко-Сале
  • Яр-Сале
Ярославская область
  • Большое Село
  • Борисоглебский
  • Брейтово
  • Гаврилов Ям
  • Любим
  • Мышкин
  • Некрасовское
  • Новый Некоуз
  • Переславль-Залесский
  • Пошехонье
  • Пречистое
  • Ростов Великий
  • Рыбинск
  • Тутаев
  • Углич
  • Ярославль
Казахстан
  • Актау
  • Актобе
  • Алматы
  • Астана
  • Атырау
  • Балхаш
  • Жанаозен
  • Жезказган
  • Караганды
  • Каскелен
  • Кентау
  • Кокшетау
  • Костанай
  • Кульсары
  • Кызылорда
  • Павлодар
  • Петропавловск
  • Рудный
  • Сатпаев
  • Семей
  • Семипалатинск
  • Талдыкорган
  • Тараз
  • Темиртау
  • Туркестан
  • Уральск
  • Усть-Каменогорск
  • Шымкент
  • Экибастуз
Сопутствующие товары

Дымосос 3,5/1500

Дымососы ДН 3,5/1000 предназначены для отсасывания дымовых газов из топок пылеугольных и газомазутных паровых и водогрейных котлов.

Цена

40 300

рублей

Купить
К сравнению

Золоуловитель 0,6

Золоуловитель ЗУ 0,6 представляет собой горизонтальный циклон, предназначенный для сухой инерционной очистки газов твердотопливных котлов от летучей золы Применяется с котлами малой мощности до 600 КВт.

Цена

33 000

рублей

Купить
К сравнению

Насосы Wilo

Насосы Wilo обеспечивают надежную работу отопительных, водогрейных и паровых котельных.

Цена

10 000

рублей

Купить
К сравнению
Похожие товары

Котел 600 КВт Giant твердотопливный ручной

Водогрейный котел 600 КВт с ручной топкой. Отапливаемый объем от 25800 м³. Виды топлива уголь, дрова.

Цена

495 000

рублей

В корзину
К сравнению

Котел 700 КВт Газовый

Котел мощностью 700 КВт газовый. Котел работает с горелками различных марок UNIGAS, ECOFLAM, WEISTHAUPT, Oilon, ГБЛ, ГМГ, АПНД. Комплект поставки - котел, арматура, клапаны, КИП. Цена указана без горелки.

Цена

480 000

рублей

В корзину
К сравнению

Котел 700 КВт на дровах

Водогрейный котел 700 КВт на дровах. Отапливаемый объем 30100 м³. Виды топлива - уголь, дрова.

Цена

573 000

рублей

В корзину
К сравнению

Котел 800 КВт Giant твердотопливный ручной

Водогрейный котел 800 КВт с ручной топкой. Отапливаемый объем от 34400 м³. Виды топлива уголь, дрова.

Цена

572 000

рублей

В корзину
К сравнению

Котел КВр 0.7

Твердотопливный котел КВр 0.7 МВт с ручной топкой. Применяется для отопления и горячего водоснабжения. Комплект поставки - котел с топкой, вентилятор, клапаны, арматура, КИП. Может изготавливаться в мультитопливном исполнении- уголь/дрова.

Цена

534 000

рублей

В корзину
К сравнению
Вы недавно смотрели: